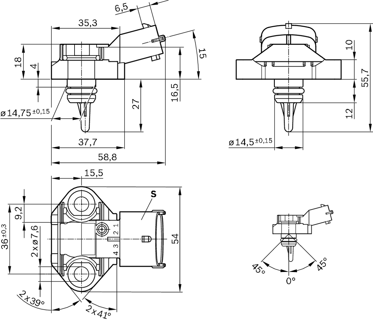
Temperaturbereich von [°C]: -40 | Temperaturbereich bis [°C]: 130
Produktnummer:
BOSCH 0 261 230 249
Herstellerinformation
Name, Adresse und Kontaktdaten des Produktherstellers.
Robert Bosch GmbH
Mobility Aftermarket, Auf der Breit 4, 76227 Karlsruhe, D
Web: www.bosch-automotive.com
Produktinformationen "BOSCH 0 261 230 249 Sensor, Kraftstofftemperatur"
Temperaturbereich von [°C]: -40 | Temperaturbereich bis [°C]: 130
| Temperaturbereich bis [°C]: | 130 |
|---|---|
| Temperaturbereich von [°C]: | -40 |
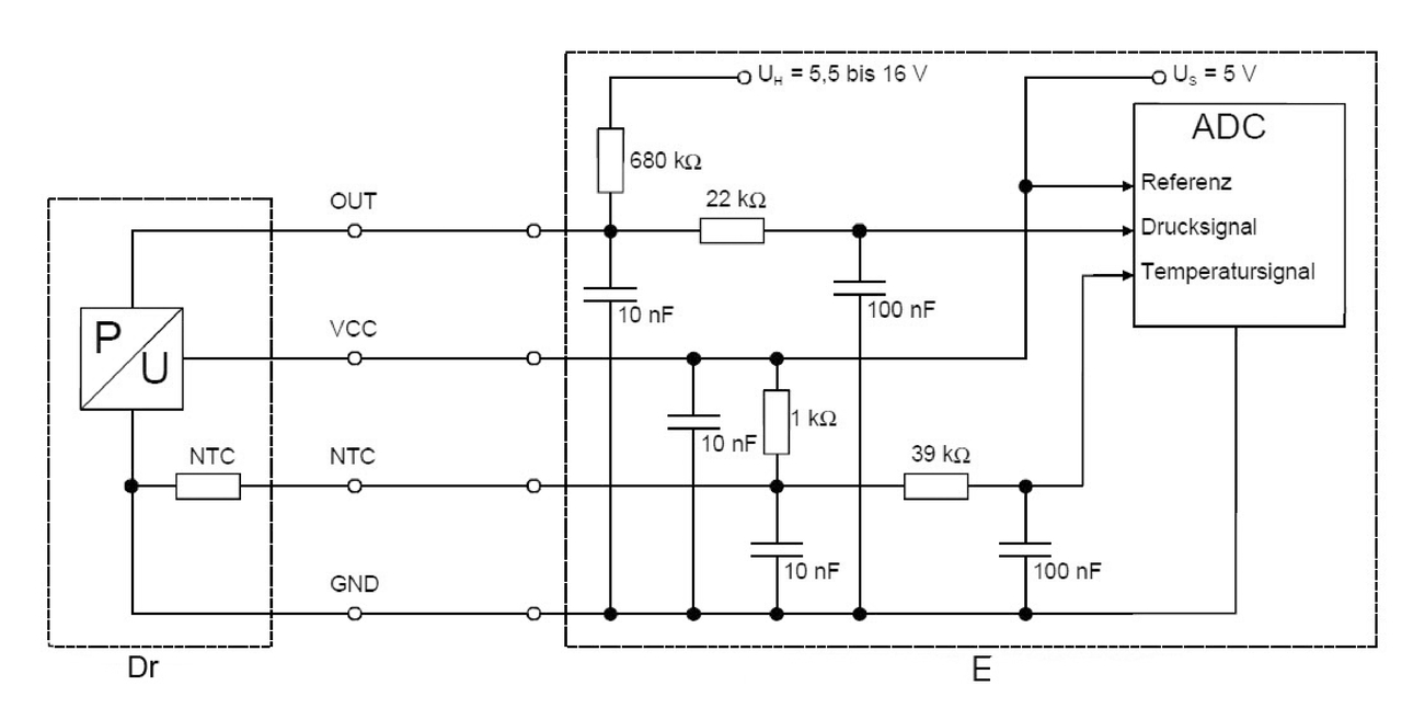
Eigenschaften
Vergleichsnummern
OE Nummern
MAN 51 27421 0322, OPEL 17 89 362, OPEL 55559358, OPEL 5815051, SAAB 55559358, VAUXHALL 55559358
OEM Nummern
BOSCH 0 261 230 145, METZGER 0901016
Gebrauchsnummer
DS-K-TF
EAN
4047024512481
Passende Fahrzeuge
| Fahrzeug |
|---|
Dokumente
Produktsicherheit
Verantwortliche Firma
Robert Bosch GmbH, Mobility Aftermarket
Auf der Breit 4
76227 Karlsruhe
Deutschland
Auf der Breit 4
76227 Karlsruhe
Deutschland
+49 711 400 40990